
NOTE : Nous émettons des factures de TVA pour les pays de l'Union européenne. Vanne de contrôle à main Vanne à levier hydraulique 40L / min 2-fach pour 1x cylindre à double effet. Contrôlé avec des câbles Bowden.
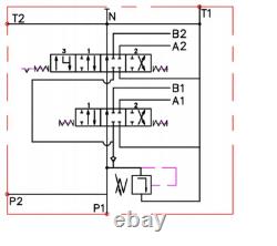
Elle est largement utilisée dans les systèmes hydrauliques en agriculture, horticulture, sylviculture, construction et dans l'industrie en général. Le distributeur est adapté à différents types de machines, telles que les machines agricoles, tracteurs, pulvérisateurs, véhicules ronds, chargeurs à cycle, chargeurs HDS, machines de construction, chargeurs, excavatrices, balayeuses, machines industrielles et autres dispositifs commandés hydrauliquement. Débit d'huile système recommandé : 0 - 40 l / min. Exemple de contrôle : entraînement à 2 côtés. Peut être connecté en série à un système existant (manchon de pression requis). Position 0 neutre (levier en position verticale) la tige de piston du cylindre est stationnaire - l'huile déborde. Position de travail 1 (levier en position avant) Le piston du cylindre s'étend.La 2ème position de travail (levier à l'arrière) de la tige de piston du cylindre se déplace à l'intérieur. Plan hydraulique de distribution à droite.
Alimentation de la pompe (P) : BSP 1/2 "filetage intérieur Retour au réservoir (T) : BSP 1/2" filetage intérieur Sortie de ligne (A, B) : BSP 3/8 "filetage intérieur Connexion en série (N) : BSP 1/2" filetage intérieur. Pression d'entrée maximale : 250bar Pression de retour maximale : 50bar Pression maximale sur sections : 300bar. Soupape de surpression réglée en usine à 175 bar Auto-réglable, rotation complète, changement par 30 bar. Large options de configuration du levier (exemples dans l'image). Plage de température d'huile recommandée.Température ambiante admissible : -40 ° C à +60 ° C Température d'huile admissible : -15 ° C à +80 ° C. Les dimensions peuvent être légèrement modifiées.
