Contrôlée avec des câbles Bowden. Elle est largement utilisée dans les systèmes hydrauliques en agriculture, horticulture, foresterie, construction et industrie en général. Le distributeur est adapté à différents types de machines, telles que les machines agricoles, les tracteurs, les pulvérisateurs, les véhicules ronds, les chargeurs cycliques, les chargeurs HDS, les machines de construction, les chargeurs, les excavatrices, les balayeuses, les machines industrielles et d'autres dispositifs à commande hydraulique. Débit d'huile système recommandé : 0 - 80 l/min. Exemple de commande : entraînement 2 côtés.
Peut être connecté en série à un système existant (manchon de pression requis). Levier à trois positions (1 - 0 - 2), à ressort, c'est-à-dire qu'il revient à la position verticale.
Position neutre 0 (levier en haut), tige de piston du cylindre hydraulique stationnaire - l'huile déborde. Position de travail 1 (levier en haut), la tige de piston du cylindre hydraulique sort. Position de travail 2 (levier en haut), la tige de piston du cylindre hydraulique se rétracte. Levier à quatre positions (1 - 0 - 2 - 3), trois positions (1 - 0 - 2) sur ressort (le levier revient à la position verticale), position (3) sur clip à ressort (le levier s'arrête en position flottante).
Position 0 neutre (levier en position verticale) La tige de piston de l'actionneur est stationnaire - l'huile déborde. Position 1 (levier en position inclinée vers l'avant) La tige de piston du cylindre sort. Position 2 (levier en position inversée diagonale) la tige se rétracte. Position 3 flottante avec loquet (levier en position maximale vers l'avant) La tige se desserre, sort et se déplace librement sous l'effet de la force.
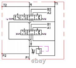
Alimentation de la pompe (P) : filet femelle BSP 1/2'' ou BSP 3/4'. Retour au réservoir (T) : filet femelle BSP 3/4. Sortie pour sections (A, B) : filet femelle BSP 1/2. Connexion en série (N) : filet femelle BSP 3/4. Pression d'entrée maximale : 250bar Pression de retour maximale : 50bar Pression maximale sur les sections : 300bar. Soupape de surpression d'usine réglée à 175 bar Auto-réglable, rotation complète, changement de 30 bar. Large éventail d'options de configuration de levier (exemples dans l'image).Plage de température d'huile recommandée. Température ambiante admissible : -40 °C à +60 °C Température d'huile admissible : -15 °C à +80 °C.
