NOTE : Nous émettons des factures de TVA pour les pays de l'Union Européenne. Vanne de contrôle directionnel hydraulique à 4 bobines 21gpm 80L. 3x Cylindre à double effet DA. Les distributeurs hydrauliques sont garantis pendant 2 ans. Ils sont utilisés dans des systèmes hydrauliques en agriculture, horticulture, foresterie, construction et industrie.
Le distributeur est adapté à différents types de machines : machines agricoles, tracteurs, pulvérisateurs, chargeurs avant, machines de construction, chargeurs, excavatrices, balayeuses, machines industrielles et pour d'autres applications contrôlées hydrauliquement. Débit d'huile recommandé dans le système : 0-80L / min.
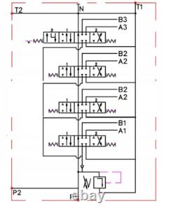
Exemple de commande : cylindre hydraulique à double effet. Possibilité de connexion en série au système existant (nécessite le raccordement d'un manchon de pression).Levier à trois positions (1-0-2), à ressort, c'est-à-dire qu'il revient en position verticale. Position neutre 0 (levier en haut), la tige de piston du cylindre hydraulique est stationnaire - l'huile déborde. Position de travail 1 (levier en haut), la tige de piston du cylindre hydraulique sort.
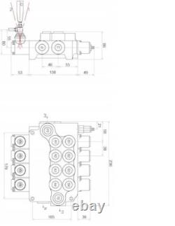
Position de travail 2 (levier en haut), la tige de piston du cylindre hydraulique se rétracte. Retour au réservoir (T) : filetage femelle BSPP 3/4. Sortie pour section (A, B) : filetage femelle BSPP 1/2.Connexion en série (N) : filetage femelle BSPP 3/4. Plage de pression Pression d'alimentation maximale : 250 bar.
Pression de retour maximale : 50 bar. Pression maximale dans les sections : 300 bar.
Soupape de dérivation (de sécurité) réglée en usine à 175 bar. Auto-ajustable, déplacement de 30 bar sur un tour complet. Température ambiante admissible : de -40 °C à +60 °C.Température d'huile admissible : de 15 °C à +80 °C. Les dimensions peuvent être légèrement modifiées.
