
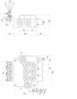
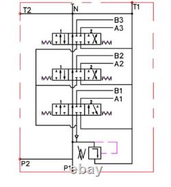
Levier à trois positions (1-0-2), à ressort, c'est-à-dire qu'il revient en position verticale. Position neutre 0 (levier vers le haut), la tige du piston du cylindre hydraulique est stationnaire - l'huile déborde.
Position de travail 1 (levier vers le haut), la tige du piston du cylindre hydraulique sort. Position de travail 2 (levier vers le haut), la tige du piston du cylindre hydraulique se rétracte. Retour au réservoir (T) : filetage femelle BSPP 3/4. Sortie pour section (A, B) : filetage femelle BSPP 1/2. Connexion en série (N) : filetage femelle BSPP 3/4. Plage de pression Pression d'alimentation maximale : 250 bar. Pression de retour maximale : 50 bar.Pression maximale dans les sections : 300 bar. Soupape de dérivation (sécurité) réglée en usine à 175 bar. Auto-régulée, déplacement de pleine rotation de 30 bar. Température ambiante admissible : de -40 °C à + 60 °C.
Température d'huile admissible : de 15 °C à + 80 °C. Les dimensions peuvent être légèrement modifiées.
