
Hydraulic distributors are guaranteed for 2 years. It is used in hydraulic systems in agriculture, horticulture, forestry, construction and industry. The distributor is adapted to different types of machines: agricultural machines, tractors, sprayers, front loaders, construction machines, loaders, excavators, sweepers, industrial machines and for other applications hydraulically controlled. The distributor is ideal for controlling a hydraulic motor thanks to a lever with a snap mechanism. You can start the engine and exit the hydraulic distributor without constantly holding the lever.
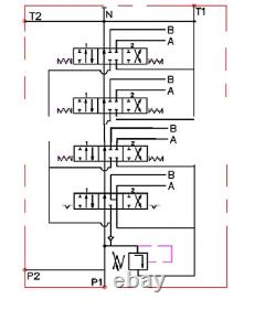
Control example: hydraulic motor in both directions and hydraulic cylinder in two-way operation. Recommended oil flow in the system: 0-40L / min. Hydraulic motor in both directions and hydraulic cylinders in two-way operation.
Possibility of series connection to the existing system (requires connection of a pressure sleeve). Three-position lever (1 - 0 - 2), with snap lock, ie it holds the position in the working position. Position 0 neutral (lever in vertical position) Motor or actuator is at a standstill - oil overflows. Position 1 works (lever in diagonal forward position) Motor turns to the left or piston rod extends Position 2 works (lever in diagonal reverse position) The motor turns to the right or the piston rod of the actuator retracts.
Pump supply (P): female thread BSP 1/2. Output for sections (A, B). Pressure range Maximum supply pressure: 250 bar. Maximum return pressure: 50 bar. Maximum pressure in sections: 300bar. Bypass valve (safety) set at the factory to 175 bar.Self-adjusting, full turn 30 bar displacement. Permissible ambient temperature: 40 ° C to + 60 ° C. Permissible oil temperature: 15 ° C to + 80 ° C. Dimensions can be changed slightly.